Автономная канализация Alta Bio 3 в Хабаровске
Alta Bio 3 – это автономная канализационная станция глубокой биохимической очистки хозяйственно-бытовых сточных вод. Подходит для частных домов с проживанием до 3-х человек. Производительность станции 0,6 кубометров сточной воды в сутки.
В случае если позволяет рельеф участка, очищенная вода удаляется в самотечном режиме. Автономная канализация Alta Bio не требует регулярного обслуживания, максимально надежна и комфорта в использовании. При установке данного оборудования пользователь получает канализацию, как в городе.
Ответы на частые вопросы
Документы на оборудование
Описание
Автономная канализация Alta Bio 3
Alta Bio 3 – это автономная канализация с глубокой биохимической очисткой сточных вод. Подходит для частных домов с проживанием до 3-х человек. Производительность станции составляет 0,6 кубометров в сутки. Очищенная вода удаляется в самотечном режиме. Цена на автономную канализацию более чем доступна, так как стоимость автономной канализации обоснована высоким качеством материалов.
Канализация в частном доме Alta Bio 3 – это пластиковая ёмкость, с трехсекционным отстойником в нижней части и биофильтром вверху.
Плюсы Alta Bio 3
- Нет ограничения по сбросу бытового мусора
- Возможен энергонезависимый режим работы
- Усовершенствованная система подключения питания
В автономной канализации Alta Bio 3 применяются все три метода очистки стоков:
- механический (в отстойнике осаждаются нерастворимые примеси и начинаются сорбционные процессы);
- биологический (на биофильтре находится активная биопленка, питающаяся загрязнённым стоком и поступающим из окружающей среды кислородом);
- химико-физический (для удаления мелких взвешенных частиц проводится коагуляция и удаление фосфатов таблетированным препаратом Doctor Septik).
Станции биологической очистки Alta Bio 3 удобны при транспортировке и легки в установке. Потребуют минимум места на участке. Никакого запаха во время работы! Автономная канализация Alta Bio 3 в частном доме или на даче подходит как для постоянного, так и для сезонного проживания.
Станциям биологической очистки Alta Bio 3 достаточно минимального обслуживания. Раз в год откачать накопившейся шлак из отстойника и промыть биофильтры из шланга. Добавить препарат Doctor Septik устанавливающийся на сливную чашу унитаза.Вам не подходит станция биологической очистки Alta Bio 3? Выберите другую в разделе автономная канализация.
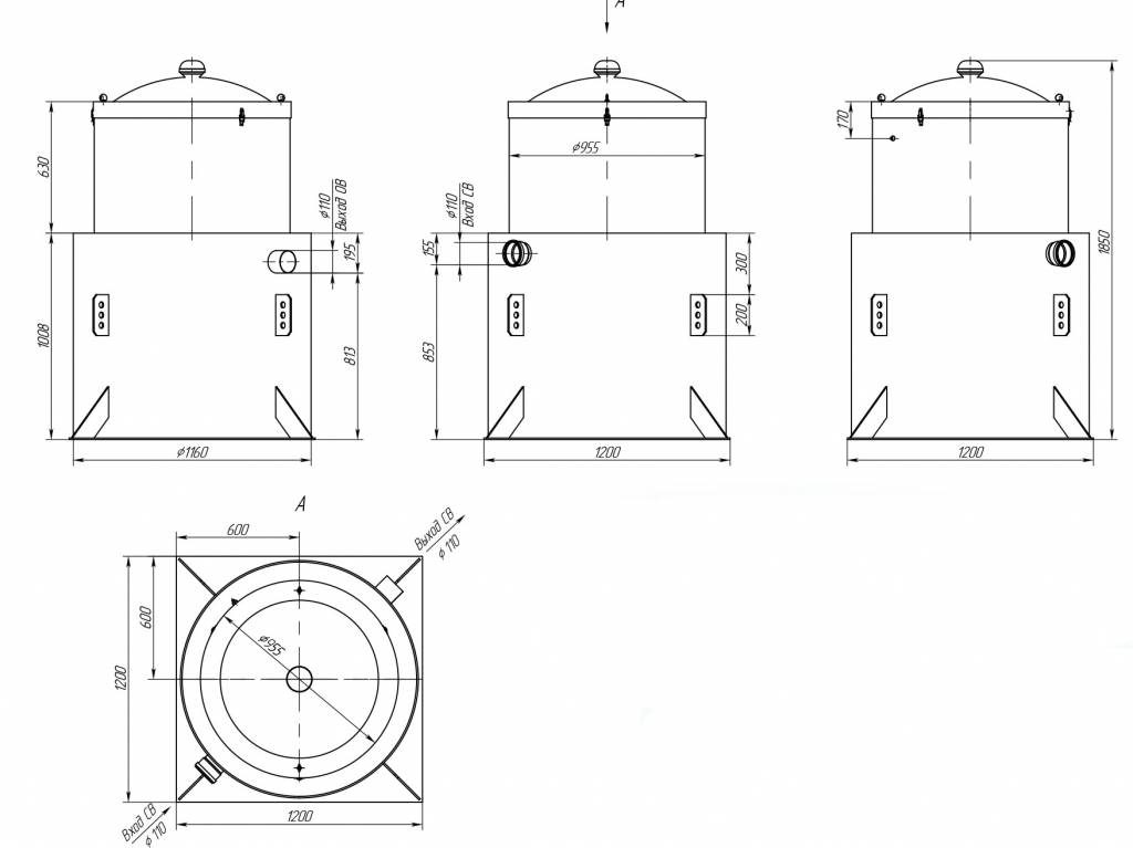
Размеры и габариты автономной канализации Alta Bio 3
*Производитель имеет право без предварительного уведомления вносить изменения в изделие, которые не ухудшают его технические характеристики, а являются результатом работ по усовершенствованию его конструкции или технологии производства. Допуск к габаритным размерам +/- 2 см.Сертификаты и патенты
Патент на Alta Bio
Декларация соответствия Alta Bio
Экспертное заключение Alta Bio
Сертификат на таймер Alta Bio
Патент на биологическую загрузку для биореактора
Характеристики
|
Транспортные габариты (Длина х Ширина х Высота), мм
|
1200х1200х1850 |
|
Производительность, м³/сут
|
0,6 |
|
Высота, мм
|
1850 |
|
Количество пользователей до
|
3 |
|
Макс. залповый сброс, л/час
|
120 |
|
Размер основания, мм
|
1200х1200 |
|
Диаметр горловины, мм
|
955 |
|
Транспортировочный вес, кг
|
100 |
|
Глубина/диаметр входа, мм
|
585/110 |
|
Глубина/диаметр выхода, мм
|
625/110 |
|
Площадь для установки системы, м²
|
2 |
|
Объем земляных работ, м³
|
3,6 |
|
Электрооборудование
|
Погружной, дренажный насос |
|
Установочная мощность, кВт
|
0,32 |
|
Энергопотребление, кВТ/ч
|
0,08 |
|
Напряжение, В
|
220 |
|
Рекомендованные параметры подводящего электрокабеля
|
3х1,5 |






